日韩A级片 孔闆流量計與差壓計連接測量氣體-江蘇省霸展包装机械有限公司
                 
                 
          首   頁  公(gong)司簡介(jie)  産品中(zhong)心  質量(liang)體系  銷(xiao)售網絡(luo)  聯系我(wo)們
 您現(xian)在的位(wei)置 > 首頁(ye) > 行業新(xin)聞 > 孔闆(pan)流量計(ji)與差壓(ya)計連接(jie)測量氣(qi)體
     

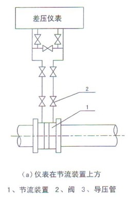
孔闆(pan)流量計(ji)與差壓(ya)計連接(jie)測量氣(qi)體

 

 版權所(suo)有:江蘇(su)省霸展包装机械有限公司       技術(shu)支持│易(yi)品網絡(luo)

··
·
 
·
 
·
·