摘要(yao):電磁(ci)流量(liang)計
是(shi)測量(liang)注聚(ju)剖面(mian)的理(li)想工(gong)具,一(yi)般應(ying)用于(yu)尾管(guan)位于(yu)油層(ceng)之上(shang)10m的籠(long)統注(zhu)入井(jing)。電磁(ci)流量(liang)計解(jie)釋一(yi)般根(gen)據測(ce)井☂️記(ji)錄的(de)流量(liang)頻率(lü)數計(ji)算分(fen)層注(zhu)入狀(zhuang)況。相(xiang)關解(jie)釋法(fa)利用(yong)相同(tong)儀器(qi)的不(bu)同次(ci)測井(jing)儀器(qi)常數(shu)恒定(ding)原理(li),以一(yi)次💃🏻測(ce)量相(xiang)關數(shu)據應(ying)用👉于(yu)其他(ta)測量(liang)解釋(shi),降低(di)了單(dan)井分(fen)别計(ji)算流(liu)量校(xiao)正系(xi)數帶(dai)來🈲的(de)誤差(cha)。特别(bie)是🔞當(dang)尾管(guan)進入(ru)油層(ceng)時,相(xiang)關解(jie)釋法(fa)能夠(gou)給出(chu)各層(ceng)注入(ru)量,解(jie)決該(gai)種井(jing)況測(ce)井不(bu)能解(jie)釋的(de)🐕問題(ti)。經實(shi)例驗(yan)證相(xiang)關解(jie)釋法(fa)結果(guo)穩定(ding)可靠(kao),誤差(cha)符合(he)測量(liang)解釋(shi)标準(zhun)。
一、前(qian)言
由(you)于油(you)田主(zhu)力油(you)層水(shui)驅後(hou)剩餘(yu)油飽(bao)和度(du)較低(di),爲提(ti)高采(cai)收👄率(lü),對46面(mian)積采(cai)取聚(ju)驅,射(she)開均(jun)爲主(zhu)力油(you)層,采(cai)取籠(long)統注(zhu)入方(fang)式。電(dian)磁流(liu)量計(ji)測量(liang)套管(guan)内流(liu)量,應(ying)用遞(di)減法(fa)得到(dao)吸聚(ju)層各(ge)部分(fen)的吸(xi)入量(liang)。但是(shi),由于(yu)一些(xie)因素(su),部分(fen)井尾(wei)管進(jin)入油(you)層,電(dian)磁流(liu)量計(ji)無🤟法(fa)測出(chu)全井(jing)❤️流量(liang)頻率(lü),進而(er)無法(fa)解釋(shi)各部(bu)分絕(jue)對及(ji)相對(dui)吸聚(ju)量,資(zi)料不(bu)能應(ying)用🌐。根(gen)據電(dian)磁流(liu)量計(ji)的測(ce)井特(te)點,應(ying)用相(xiang)關的(de)計算(suan)方法(fa),不但(dan)簡化(hua)了普(pu)通井(jing)解釋(shi)工序(xu),而且(qie)解決(jue)了尾(wei)管進(jin)入油(you)層井(jing)的電(dian)磁流(liu)量解(jie)釋問(wen)題,收(shou)到較(jiao)好效(xiao)果。
二(er)、電磁(ci)流量(liang)計測(ce)井原(yuan)理與(yu)解釋(shi)方法(fa)
1.電磁(ci)流量(liang)計測(ce)井原(yuan)理
電(dian)磁流(liu)量計(ji)是根(gen)據電(dian)磁感(gan)應原(yuan)理測(ce)量流(liu)體流(liu)量🤩的(de)。解釋(shi)中記(ji)錄以(yi)脈沖(chong)計數(shu)率反(fan)映感(gan)生電(dian)動勢(shi)進💰而(er)反映(ying)流量(liang)的相(xiang)對值(zhi)。解釋(shi)時首(shou)先根(gen)據井(jing)口注(zhu)入量(liang)除以(yi)💛射孔(kong)層以(yi)上代(dai)表全(quan)井的(de)計數(shu)率與(yu)射孔(kong)層以(yi)下代(dai)表零(ling)流量(liang)的計(ji)數率(lü)之差(cha)求得(de)流量(liang)校正(zheng)系數(shu)k,由k和(he)各點(dian)🐇的測(ce)量值(zhi)求出(chu)各層(ceng)合層(ceng)✊流量(liang),通過(guo)分層(ceng)遞減(jian)法求(qiu)出分(fen)層吸(xi)入量(liang)。所以(yi)解釋(shi)的前(qian)提是(shi)尾管(guan)位于(yu)油層(ceng)以上(shang)❤️,當尾(wei)管🛀進(jin)入油(you)層後(hou),電磁(ci)流量(liang)計無(wu)法測(ce)出全(quan)井流(liu)量頻(pin)率,進(jin)而無(wu)法解(jie)㊙️釋🌈測(ce)量值(zhi)及各(ge)層吸(xi)入量(liang)。
2.相關(guan)解釋(shi)原理(li)
常規(gui)解釋(shi)方法(fa)根據(ju)測量(liang)記錄(lu)的頻(pin)率計(ji)數率(lü)求出(chu)🔴各♻️層(ceng)流量(liang)❤️的相(xiang)對值(zhi),再由(you)井口(kou)記錄(lu)的全(quan)井總(zong)流量(liang)分配(pei)計算(suan)出分(fen)層注(zhu)入流(liu)量。由(you)于儀(yi)器檢(jian)定後(hou),在垂(chui)直管(guan)柱内(nei)一定(ding)🌈的流(liu)道直(zhi)徑和(he)♈測量(liang)速度(du)範圍(wei)内,測(ce)量所(suo)記錄(lu)🏒的的(de)頻率(lü)計數(shu)率與(yu)流量(liang)成線(xian)性關(guan)系,不(bu)同次(ci)(N)測井(jing)之間(jian)如果(guo)任意(yi)兩個(ge)深度(du)點頻(pin)率計(ji)數率(lü)差值(zhi)不變(bian),則該(gai)㊙️兩點(dian)間的(de)流量(liang)(Q)變化(hua)量一(yi)緻。
k=(Q1-Q2)/(N1-N2)
在(zai)儀器(qi)性能(neng)穩定(ding)且滿(man)足測(ce)量條(tiao)件前(qian)提下(xia),可以(yi)依據(ju)一次(ci)測量(liang)結果(guo)得到(dao)的k值(zhi)應用(yong)于不(bu)同次(ci)測井(jing),通過(guo)記錄(lu)的頻(pin)率計(ji)數率(lü)計算(suan)不同(tong)深度(du)處的(de)絕對(dui)流量(liang)及各(ge)層的(de)分層(ceng)注入(ru)量,避(bi)免因(yin)井口(kou)💃計量(liang)誤差(cha)導🍉緻(zhi)整個(ge)注入(ru)剖面(mian)的🛀偏(pian)差,同(tong)時簡(jian)化了(le)不同(tong)次測(ce)井解(jie)釋流(liu)量校(xiao)正系(xi)數過(guo)程,降(jiang)低讀(du)值誤(wu)差。對(dui)于尾(wei)管進(jin)入油(you)層井(jing),依據(ju)相關(guan)法求(qiu)出尾(wei)管以(yi)下各(ge)層的(de)絕🧑🏾🤝🧑🏼對(dui)流量(liang),并根(gen)據全(quan)井流(liu)量值(zhi)求出(chu)尾管(guan)進入(ru)油層(ceng)的絕(jue)對流(liu)量值(zhi)。
三、資(zi)料解(jie)釋與(yu)應用(yong)
1.應用(yong)條件(jian)
由于(yu)測井(jing)記錄(lu)的是(shi)流量(liang)相對(dui)數據(ju),不同(tong)次測(ce)井的(de)☁️測量(liang)速度(du)⚽可🌍能(neng)不盡(jin)相同(tong),導緻(zhi)相同(tong)流量(liang)的計(ji)數率(lü)🔴不等(deng),在速(su)度滿(man)💋足線(xian)性範(fan)圍并(bing)相對(dui)穩定(ding)時,其(qi)不影(ying)響相(xiang)關🍓流(liu)量解(jie)💘釋。垂(chui)直管(guan)道内(nei)流體(ti)的流(liu)速與(yu)套管(guan)内徑(jing)及流(liu)體性(xing)質有(you)關,所(suo)以應(ying)用相(xiang)關法(fa)解釋(shi)資料(liao)📐時保(bao)證不(bu)同次(ci)測井(jing)的目(mu)的層(ceng)段套(tao)管🐇内(nei)徑相(xiang)同且(qie)注入(ru)的聚(ju)合物(wu)混合(he)液成(cheng)份及(ji)‼️物性(xing)一緻(zhi)。相關(guan)👣解釋(shi)法的(de)前提(ti)是測(ce)量儀(yi)器具(ju)有穩(wen)定性(xing)和一(yi)緻性(xing),所以(yi)應🔴用(yong)時要(yao)選擇(ze)井況(kuang)符合(he)測量(liang)條件(jian)、儀器(qi)性能(neng)穩定(ding)、操作(zuo)嚴格(ge)💋執行(hang)标準(zhun)、資料(liao)完好(hao)🤞無幹(gan)擾的(de)測井(jing)資料(liao)計算(suan)流量(liang)系數(shu)k值,在(zai)應用(yong)k值處(chu)理不(bu)同次(ci)測井(jing)資料(liao)時,不(bu)但要(yao)檢查(cha)儀器(qi)是否(fou)因外(wai)部影(ying)響造(zao)成性(xing)能改(gai)變,而(er)且讀(du)值也(ye)要避(bi)開由(you)于套(tao)管壁(bi)厚變(bian)化或(huo)管内(nei)附着(zhe)物引(yin)起的(de)縮徑(jing)及幹(gan)擾部(bu)位🈚。
2.解(jie)釋結(jie)果可(ke)靠性(xing)分析(xi)
爲了(le)驗證(zheng)相關(guan)解釋(shi)法的(de)正确(que)性,選(xuan)擇同(tong)時期(qi)相同(tong)🏃🏻♂️儀器(qi)測量(liang)的♍6口(kou)中進(jin)行電(dian)磁流(liu)量測(ce)井實(shi)驗,這(zhe)6口井(jing)均爲(wei)同時(shi)投入(ru)的46面(mian)積聚(ju)驅井(jing),射開(kai)均爲(wei)主力(li)油層(ceng),采取(qu)籠統(tong)注入(ru)方式(shi),尾🌈管(guan)位于(yu)目的(de)層之(zhi)上。如(ru)X422SP31井,根(gen)據測(ce)量曲(qu)線計(ji)算全(quan)井計(ji)數率(lü)與零(ling)流量(liang)差值(zhi)爲95.4Hz,代(dai)⛷️表全(quan)井流(liu)量爲(wei)80m³/d,得到(dao)k=0.8386 m³/(d·Hz)。解釋(shi)X532P50井時(shi),在1052、1061、1071m各(ge)點曲(qu)線的(de)流量(liang)✏️頻率(lü)與1084m零(ling)流量(liang)👅差分(fen)别爲(wei)108.6、100、10Hz,加入(ru)k值後(hou)各點(dian)合層(ceng)流量(liang)分别(bie)爲91.1、83.8、8.3m³/d,由(you)此分(fen)層注(zhu)入量(liang)分别(bie)爲7.3、75.5、8.3m³/d,與(yu)常規(gui)解釋(shi)方法(fa)相比(bi),合層(ceng)流量(liang)誤差(cha)🤩最大(da)爲1.8m³/d,分(fen)層流(liu)量誤(wu)差最(zui)大爲(wei)1.5m³/d。
相對(dui)解釋(shi)的全(quan)井注(zhu)入量(liang)與其(qi)井口(kou)計量(liang)誤差(cha)最大(da)爲1.8%,所(suo)👨❤️👨有合(he)💋層注(zhu)入量(liang)解釋(shi)中X534P55的(de)葡I21層(ceng)合層(ceng)注入(ru)量誤(wu)差最(zui)大,達(da)🔞到9.1%,這(zhe)是由(you)于常(chang)規解(jie)釋方(fang)法把(ba)葡I12的(de)4.6m³/d分層(ceng)♊注入(ru)量舍(she)棄歸(gui)到葡(pu)I21層造(zao)成的(de)。由此(ci)可🏃🏻♂️見(jian),應用(yong)相關(guan)解釋(shi)方法(fa)🏃♂️是可(ke)行的(de),其誤(wu)差在(zai)資料(liao)解釋(shi)誤差(cha)标準(zhun)範圍(wei)内。
3.尾(wei)管伸(shen)入油(you)層部(bu)位注(zhu)入剖(pou)面解(jie)釋
對(dui)尾管(guan)伸入(ru)油層(ceng)部位(wei)的井(jing)進行(hang)測量(liang)時,目(mu)的井(jing)段部(bu)分在(zai)油管(guan)内測(ce)量,所(suo)處油(you)管内(nei)儀器(qi)與管(guan)壁環(huan)形♻️空(kong)間♈與(yu)套管(guan)内差(cha)距很(hen)大,由(you)于儀(yi)器本(ben)身阻(zu)流作(zuo)用等(deng)因素(su)影響(xiang),流量(liang)與測(ce)量頻(pin)率計(ji)數率(lü)已經(jing)失去(qu)線性(xing)關系(xi),不能(neng)簡單(dan)地以(yi)計數(shu)率與(yu)半徑(jing)的關(guan)系換(huan)算流(liu)量值(zhi),所以(yi)常規(gui)解釋(shi)方❤️法(fa)無法(fa)得到(dao)代表(biao)總流(liu)量的(de)計數(shu)率值(zhi),無從(cong)計算(suan)合層(ceng)及分(fen)層流(liu)量。如(ru)X431PS37井,2025年(nian)11月測(ce)量實(shi)際尾(wei)管1058.8m,進(jin)入第(di)二🈲射(she)孔層(ceng)内,測(ce)量顯(xian)示該(gai)井1060、1066.8、1075.2、1079.4、1083.6、1085.5m各(ge)深度(du)點處(chu)的頻(pin)率計(ji)數率(lü)分别(bie)爲107、107、100.4、49.3、2.4、2.4Hz,利(li)用🧑🏾🤝🧑🏼相(xiang)關法(fa)以同(tong)日測(ce)量的(de)X43P41井點(dian)測資(zi)料得(de)到k=0.8816m3/(d·Hz),解(jie)釋合(he)層注(zhu)入量(liang)分别(bie)爲94.3、94.3、88.5、43.5、2.1、2.1m³/d,因(yin)全井(jing)流量(liang)爲100m³/d,那(na)麽對(dui)應油(you)管部(bu)分的(de)地層(ceng)注入(ru)量爲(wei)5.7m³/d。
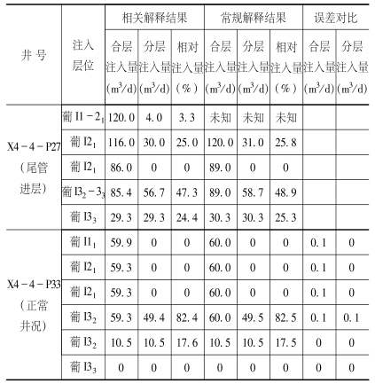
X44P27爲尾(wei)管進(jin)入油(you)層井(jing),其與(yu)X44P33、X433P48井均(jun)爲11月(yue)26日測(ce)量,根(gen)據後(hou)者得(de)到k=0.8287m3/(d·Hz),通(tong)👄過相(xiang)關解(jie)釋另(ling)外2口(kou)井結(jie)果見(jian)表1。
表(biao)1 同一(yi)相關(guan)值在(zai)尾管(guan)進層(ceng)井和(he)正常(chang)井況(kuang)的解(jie)釋結(jie)果對(dui)👈比
表(biao)1顯示(shi)同一(yi)流量(liang)系數(shu)應用(yong)于正(zheng)常井(jing)況和(he)常規(gui)解釋(shi)符合(he)較好(hao)。對于(yu)尾管(guan)進入(ru)油層(ceng)井,常(chang)規解(jie)釋忽(hu)視了(le)對應(ying)油管(guan)地層(ceng)吸入(ru)量,如(ru)果該(gai)部分(fen)吸入(ru)量較(jiao)大🌈,将(jiang)會給(gei)解釋(shi)結果(guo)帶來(lai)很大(da)偏差(cha);相對(dui)♋解釋(shi)能夠(gou)準确(que)計算(suan)套管(guan)内測(ce)量各(ge)層絕(jue)對吸(xi)入量(liang),并計(ji)算油(you)管測(ce)量層(ceng)葡I121的(de)🏒流量(liang),方法(fa)簡便(bian)可靠(kao),使尾(wei)管進(jin)入油(you)層井(jing)得到(dao)合理(li)📐解釋(shi)。
四、結(jie)論
電(dian)磁流(liu)量計(ji)測井(jing)相關(guan)解釋(shi)方法(fa)計算(suan)注入(ru)剖面(mian)較爲(wei)準确(que),解☂️釋(shi)工序(xu)簡化(hua),解釋(shi)誤差(cha)降低(di)。尤其(qi)是相(xiang)關解(jie)釋法(fa)較爲(wei)準💯确(que)地給(gei)出了(le)尾管(guan)進入(ru)油層(ceng)井各(ge)小🐇層(ceng)的注(zhu)😍入情(qing)況,彌(mi)補了(le)原解(jie)釋方(fang)法無(wu)法解(jie)釋該(gai)類♊井(jing)各層(ceng)絕對(dui)及相(xiang)對注(zhu)入量(liang)的不(bu)足。經(jing)過9口(kou)井的(de)實際(ji)應用(yong),解釋(shi)全井(jing)注入(ru)量誤(wu)差在(zai)4.5%以内(nei),結果(guo)較爲(wei)可靠(kao)。解釋(shi)中以(yi)下問(wen)題不(bu)容忽(hu)視:
◎相(xiang)關解(jie)釋方(fang)法以(yi)近期(qi)不同(tong)次測(ce)井資(zi)料爲(wei)依據(ju),要求(qiu)測井(jing)儀器(qi)有較(jiao)好的(de)一緻(zhi)性和(he)穩定(ding)性;嚴(yan)格執(zhi)行操(cao)作規(gui)程🔞。
◎相(xiang)關解(jie)釋方(fang)法應(ying)用在(zai)目的(de)層套(tao)管狀(zhuang)況一(yi)緻、注(zhu)入流(liu)體性(xing)㊙️質相(xiang)同的(de)注入(ru)井。
◎相(xiang)關解(jie)釋求(qiu)取k值(zhi)應選(xuan)擇受(shou)井況(kuang)/儀器(qi)以及(ji)人爲(wei)等因(yin)素幹(gan)擾🐇較(jiao)小的(de)資料(liao),應用(yong)k值時(shi)也要(yao)避免(mian)各種(zhong)幹擾(rao)影響(xiang)。
文章(zhang)來源(yuan)于網(wang)絡,如(ru)有侵(qin)權聯(lian)系即(ji)删除(chu)!